of a repair. The strip of white wood (spruce) that runs down the middle of the sleds is an insert I installed so I could cut a new slot. 
ngth, or to cut “boards” from a section of a log. The design makes it fairly quick and easy to shift the log sideways for the next cut after a board has been sawn from the side of the log.
ge of the base. It has notches that the horizontal parts of the backstops pass through. Make the notches as deep as the thickness of the material used to make the stops so that everything winds up flush at the top of the clamping strip. An L-
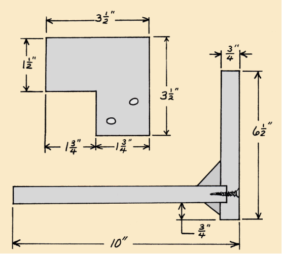
ensions. Note the triangular blocks between the vertical and horizontal parts. These are epoxied in place and add greatly to the strength of the joint.